Lorsque 4 passagers s’installent dans une voiture de tourisme, la caisse s’abaisse d’environ 5 centimètres.

Que se passe-t-il ?
La raideur des amortisseurs d’une automobile est choisie de sorte que la fréquence propre des oscillations verticales de la caisse corresponde à la fréquence à laquelle le corps humain est le moins sensible. Les études de biomécanique montrent que cette fréquence est d’environ 1 Hertz.
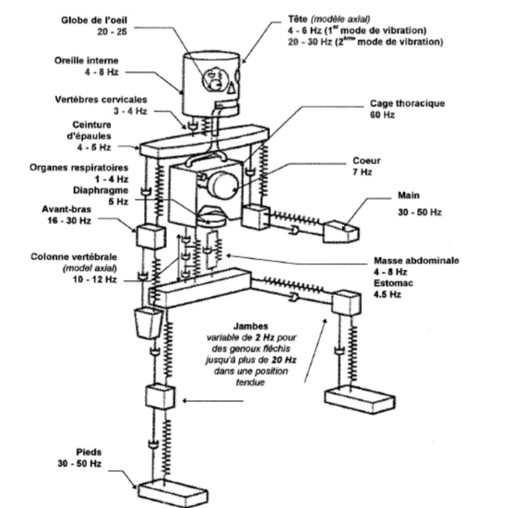
Pour analyser les vibrations du corps humain, on peut le modéliser comme un ensemble de masses et de ressorts comme sur la figure qui suit 
Image extraite de la thèse d’Aurore Létévé « Etude de l’influence des suspensions de véhicule de tourisme sur le confort vibratoire, le comportement routier et les limites de fonctionnement : l’approche CRONE en matière de formalisation, d’analyse et de synthèsese. », en accès libre sur HAL https://tel.archives-ouvertes.fr/tel-01140345/file/LETEVE_AURORE_2014.pdf
C’est dans la plage allant de 1 à 20 Hertz que le corps humain est le plus sensible. C’est aussi dans cette plage que la suspension d’une automobile est le plus sollicitée.
Notons les multiples modes propres dont les fréquences sont de quelques Hertz qu’il s’agisse de la vibration de la tête ou des segments, ou de vibrations des organes internes comme le coeur, l’estomac ou les masses abdominales. Pour ne pas solliciter ces modes de vibration, la fréquence propre de la suspention doit être infèrieure ou égale à 1 Hertz.
Par ailleurs, l’oreille interne est particulièrement sensible aux fréquences inférieures à 1 Hertz. Celles ci provoquent une cinétose (le mal des transport).
C’est donc pour éviter à la fois les résonances mécaniques du corps et la sollicitation de l’oreille interne qu’il faut choisir de placer la résonance du mouvement vertical de la caisse à une fréquence de 1 Hertz.
J’invite le lecteur interessé à se reporter au chapitre 1 de la thèse d’Aurore Létévé citée plus haut qui présente de manière remarquable, la dynamique du corps humain, la problématique de la suspension d’une automobile et les différents types de suspension.
Le principe du calcul.
Nous connaissons la masse de l’automobile, \( m \simeq 1500 \, \rm{kg} \) et la fréquence propre des oscillations verticales \( f = 1 \, \rm{Hz} \). Nous en déduisons la raideur de la suspension : \( k = M\left( 2 \pi \, f \right)^2 =60 \, \rm{kN} \, \rm{m}^{-1}\)
Un adulte pèse typiquement 75 kg. Nous en déduisons l’abaissement de la caisse : \(\Delta z = \frac{g \, m}{k}= 5 \, \rm{cm}\)